The HW-40F-2Z relay power supply solution is a high-current power relay designed for reliable switching in industrial and commercial electrical systems that require 40A capacity and dual-contact control. It is used to control heavy loads in automation panels, HVAC equipment, motor control systems, power management units, and other relay-based switching applications, making it a practical choice for industrial users, commercial users, electrical contractors, distributors, and bulk procurement projects.
As a China manufacturer, supplier, exporter, and OEM/ODM factory product, this model can be positioned for wholesale, distributor sourcing, custom projects, and private label programs where buyers need stable performance, multiple coil voltage choices, and dependable insulation strength.
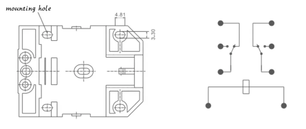
- Contact Configuration:2Z dual contacts, suitable for high-current switching control.
- Rated Load:Up to 40A at 250VAC / 28VDC for power switching applications.
- Coil Voltage Options:5, 6, 9, 12, 24, 48, 60VDC; 12, 24, 110, 220VAC.
- Performance Range:Operating temperature -40°C to +70°C, dielectric strength up to 2500VAC, operate/release time within 25ms.
Model Description
| HW | 40F | 2 | Optional | Optional | D | VDC |
| ① | ② | ③ | ④ | ⑤ | ⑥ | ⑦ |
①Enterprise code: Hangwang Electric
②Serial number: 40F
③Number of contact groups: 2
④Contact form: (Z-conversion type H-normally open type D-normally closed contact)
⑤Mounted type: P: PCB mounted type No letters: plug-in mounted
⑥Auxiliary function: D/CR-Inhibitory protection
⑦Coil voltage: (DC: direct voltage AC: alternating voltage)
Contact parameters
| Contact form | 2Z,2H,2D |
| Contact load | 40A |
| Maximum switching voltage | 240VAC 40A 28VDC 40A |
| Contact material | Silver alloy |
Operating Coils
| Rated voltage V | DC12V | DC24V | DC110V | DC220V |
| Rated current(+10%)mA | 167 | 83.3 | 18.2 | 9 |
| Coil resistance(+10%)Ω | 71.8 | 288 | 6044 | 24444 |
| Rated power consumption W | 2.0W | |||
| Pick-up voltage(max)V | Less than 75% | |||
| Drop-out voltage (min) V | 10% or more | |||
| Allowable voltage(max) V | Rated voltage ×110% | |||
| Rated voltage V | AC12V | AC24V | AC110V | AC220V |
| Rated current(+10%)mA | 716.7 | 358 | 78.5 | 39 |
| Coil resistance(+10%)Ω | 5.9 | 23.4 | 402 | 1974 |
| Rated power consumption W | 5.5VA | |||
| Pick-up voltage(max)V | Less than 80% | |||
| Drop-out voltage (min) V | 30% or more | |||
| Allowable voltage(max) V | Rated voltage ×110% | |||
Product Technical Parameters
| Contact resistance | ≤100mΩ |
| Electrical life | ≥5×10⁴times |
| Mechanical life | ≥10⁶ times |
| Coil voltage | DC: 6-220V AC: 6-380V |
| Suction time | ≤25ms |
| Release time | ≤15ms |
| Between the same pole contacts | 1500VAC/1min(Leakage current 1mA) |
| Between opposite pole contacts | 1500VAC/1min(Leakage current 1mA) |
| Between contact and coil | 2500VAC/1min(Leakage current 1mA) |
| Insulation resistance | ≥200MΩ(500VDC) |
| Ambient temperature | -25°C ~ +55°C |
| Ambient humidity | 35% ~ 80%RH |
| Atmospheric pressure | 86 ~ 106KPa |
| Impact resistance | 10G (Sine wave half pulse: 11ms) |
| Vibration resistance | 10-55Hz (Double amplitude: 1.5mm) |
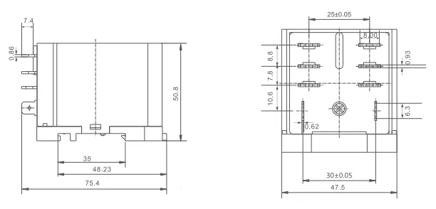
| Dimensions | 68 × 47×50.8mm |
| Weight | About 160g |
Product Size and Installation




FAQ
Is the HW-40F-2Z relay power supply suitable for OEM and ODM projects?
Yes. China relay manufacturers in this category commonly support OEM/ODM and export-oriented production, which makes this model suitable for factory sourcing, custom branding, and B2B procurement pages.
Can distributors and wholesalers purchase this relay power supply in bulk?
Yes. Its 40A switching rating and industrial application fit make it suitable for wholesale supply, distributor inventory, and bulk purchasing for control cabinets and electrical projects.
What applications is this relay power supply used for?
This relay is commonly used in industrial automation, heavy machinery control, HVAC systems, automotive load switching, and general power management equipment.
What contact form and switching capacity does this model offer?
The publicly listed specification shows a 2Z contact form with a switching capacity of up to 40A at 250VAC / 28VDC, which suits higher-load relay control tasks.
What coil voltages are available from the supplier or manufacturer?
Public specifications list multiple coil options, including 5–60VDC and 12–220VAC ranges, which helps OEM buyers, contractors, and distributors match different control system requirements.
Request a Quote Now
Our team will get back to you within 24 hours.











